Dataset Browser

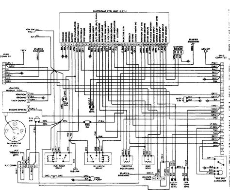
Automobile Electrical Lab Manual

Automobile Electrical Lab Manual

Dive into the essential Automotive Electrical Lab Manual, a comprehensive guide designed for students and technicians alike. This resource covers fundamental concepts, practical experiments, and advanced troubleshooting techniques for all major vehicle electrical systems, ensuring a thorough understanding of automotive electronics and diagnostics.

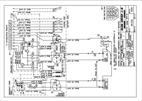
Wiring Diagram Military Diesel Engine

Wiring Diagram Military Diesel Engine

Explore comprehensive wiring diagrams for military diesel engines, essential for maintenance, repair, and diagnostics. This resource provides detailed electrical schematics crucial for understanding complex heavy-duty vehicle wiring and ensuring the optimal performance of military equipment engines. Gain insights into the intricate electrical systems to effectively troubleshoot and maintain critical components.