Dataset Browser

Series Circuit Problems

Series Circuit Problems

Struggling with series circuit problems? This guide provides insights into common issues encountered in series circuits, offering practical solutions and troubleshooting techniques. Learn how to identify and resolve problems such as open circuits, short circuits, voltage drops, and incorrect resistance values to ensure optimal circuit performance and prevent potential electrical hazards.

harley davidson starter relay wiring diagram

harley davidson starter relay wiring diagram

Find the essential Harley Davidson starter relay wiring diagram here to troubleshoot common starting issues. This detailed electrical schematic provides clear instructions for understanding your motorcycle's starting circuit, helping you diagnose and repair problems with ease. Ensure a reliable start every time by correctly understanding your HD's starter relay connections and their functions.

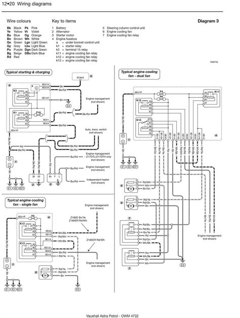
Vauxhall Frontera Wiring Diagram

Vauxhall Frontera Wiring Diagram

Unlock crucial insights into your Vauxhall Frontera's electrical system with our comprehensive wiring diagram. This essential resource provides detailed schematics for all circuits, enabling you to accurately diagnose faults, perform repairs, or understand the intricate electrical layout of your Frontera model. Ideal for DIY enthusiasts and professional technicians seeking precise electrical information.